
CNG汽车加气站用压缩机产品介绍
CNG汽车加气站用压缩机是为适应远离管网的CNG汽车加气站和加气高、低峰变工况而开发设计的,它既适应了气体特征,又有效改善了现有CNG汽车加气站常规的容积式压缩机存在的故障率高、噪音和高能耗等缺点,提高能源的利用率和无故障运行率,较常规压缩机相比,新式压缩机降低能耗在50—60%,是一种环保、节能、高效的CNG汽车加气站专用压缩机。
一、节能
该系统采用ABB电机作为动力源,应用液压缸驱动气缸活塞来实现压缩气体。采用了变工况运行设计,同时可根据不同供、用气采取单机组运行(运行的电机功率37KW)和双机组运行(运行的电机功率74KW),有效降低能耗,提高效率。液压系统采用变量泵配置可在进气压力与排气压力之间压差过大(≥10Mpa)时,保证电机安全和供气顺畅。采用液压驱动,可以有效降低噪音,同时驱动元件工作在液压油中,减少了元件的磨损,提高使用寿命。37KW单机组压缩机吸排气量相当于传统压缩机90KW的吸排气量。
二、环保
该机型采用对称平衡设计,无油润滑,风、水混合冷却,两级分离过滤,使气体更清洁。该产品在使用过程中,无废气、废水排放的问题,设备在停机时基本不存有剩余气体,对环境不会产生污染,真正实现了降耗(耗气、耗水、耗油)、减排和环保。
三、设备运行的可靠性
设备选用的电机、泵、阀、管路和管接头全部是由国际知名公司所提供,产品质量可靠,性能好。设备应用了人机化工程优化设计,设备操作简便;维修性好;设备维修成本低。
四、设备运行的自动化程度
设备运行的自动化程度高,设备安装了温控装置;压力检测控制装置;自动换向控制装置;液压泵自动保护装置。设备运行实行全自动化控制,设备运行安全可靠。
五、设备配件更换
设备70%的零部件是由国际知名的企业所提供,其余部分是由我公司生产,零部件选用的是常用型号,市场应用广泛,易于采购,同时我公司长期为用户提供技术支持。
产品主要技术参数

排气量参数表

Movement frequency
Time
Gas delivery
1/Time MPa
Standard Volume flow
х10 Nm3/h
液压零件


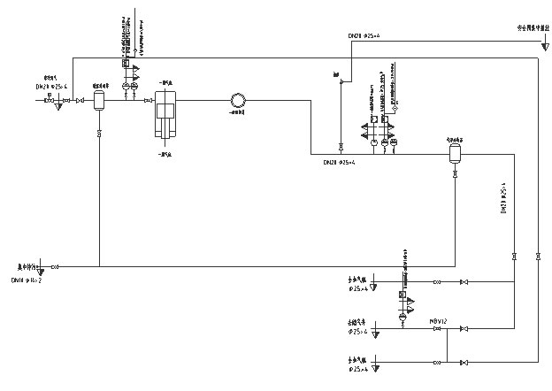
压缩机气路流程图

电气控制部分

ABB软启动器 ABB 开关熔断器组

ABB断路器 控制柜
设备电机及电气元件全部选用ABB公司产品,主机配ABB软起动器驱动,质量可靠,性能优越,并配以西门子PLC,实现设备的全自动化控制运行。
|